主营产品:
真空泵,水环式真空泵,旋片式真空泵,排污泵,管道排污泵,潜水排污泵,多级泵,不锈钢多级泵,隔膜泵,气动隔膜泵,电动隔膜泵,离心泵,旋涡泵,电磁阀,球阀,不锈钢球阀,浮动球阀,固定球阀,硬密封球阀,排气阀,复合式排气阀,自动排气阀,过滤器,蓝式过滤器,y型过滤器,减压阀,蝶阀,针型阀,不锈钢电磁阀,蒸汽电磁阀,煤气电磁阀,高温电磁阀,高压电磁阀,煤气切断阀,水用电磁阀
产品详情
简单介绍:
cb-b齿轮油泵是低压、中小排量系列油泵。凭借相互啮合的齿轮将电动机输出的机械能转换为液压能的转换装置,本系列泵广泛用于液压系统、纺织机械和其它中小型机械作为液压能源和润滑油源及油库、油罐、油桶转油等。cb-b为泵头,s型表示带底座、电机的整机。
详情介绍:
一、cb-b齿轮产品概述:
cb-b齿轮油泵是低压、中小排量系列油泵。凭借相互啮合的齿轮将电动机输出的机械能转换为液压能的转换装置,本系列泵广泛用于液压系统、纺织机械和其它中小型机械作为液压能源和润滑油源及油库、油罐、油桶转油等。cb-b为泵头,s型表示带底座、电机的整机。
二、cb-b齿轮油泵性能参数:
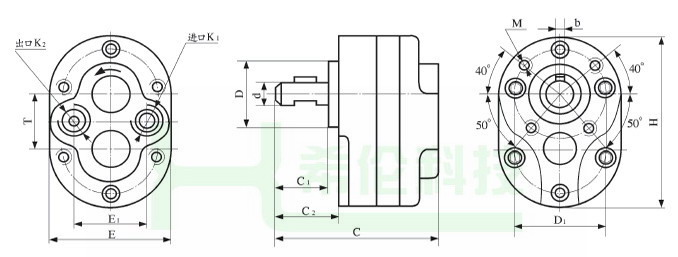
三、cb-b齿轮安装尺寸:
四、cb-b齿轮油泵订货说明:
1.齿轮油泵产品名称及型号;
2.齿轮油泵规格口径;
3.齿轮油泵产品流量;
4.齿轮油泵产品扬程;
5.齿轮油泵产品功率;
6.齿轮油泵使用介质;
7.齿轮油泵产品材料;
8.如有特殊要求时请在订购产品时注明。
9.若已经由设计单位选定的型号,请按型号直接向我司销售部订购。
10.当使用的场合非常重要或环境比较复杂时,请您尽量提供设计图由我们的希伦科技阀门专家为您审核把关。
厂家主要生产:多级泵、管道多级泵、立式多级泵、热水泵、旋涡泵、螺杆泵、磁力泵、齿轮油泵、自吸泵、耐腐蚀泵、生活供水设备、消防气压给水设备、水泵、气压罐等,
欢迎您访问我们的网站【尊龙凯时】,如有任何疑问.您可致电给我们,我们一定会尽心尽力为您提供上等的服务,
销售专线:021-32519068/32518920图文传真:021-32518920 直线联系:13818833907,18939726201联系人:小胡 在线联系qq:1364159937 e-mail:
cb-b齿轮油泵是低压、中小排量系列油泵。凭借相互啮合的齿轮将电动机输出的机械能转换为液压能的转换装置,本系列泵广泛用于液压系统、纺织机械和其它中小型机械作为液压能源和润滑油源及油库、油罐、油桶转油等。cb-b为泵头,s型表示带底座、电机的整机。
二、cb-b齿轮油泵性能参数:
|
型号
|
流量(l/min)
|
压力(mpa)
|
转速(r/min)
|
驱动功率(kw)
|
|
cb-b2.5
|
2.5
|
2.5
|
1450
|
0.13
|
|
cb-b4
|
4
|
2.5
|
1450
|
0.21
|
|
cb-b6
|
6
|
2.5
|
1450
|
0.31
|
|
cb-b10
|
10
|
2.5
|
1450
|
0.51
|
|
cb-b16
|
16
|
2.5
|
1450
|
0.82
|
|
cb-b20
|
20
|
2.5
|
1450
|
1.00
|
|
cb-b25
|
25
|
2.5
|
1450
|
1.30
|
|
cb-b32
|
32
|
2.5
|
1450
|
1.65
|
|
cb-b40
|
40
|
2.5
|
1450
|
2.10
|
|
cb-b50
|
50
|
2.5
|
1450
|
2.60
|
|
cb-b63
|
63
|
2.5
|
1450
|
3.30
|
|
cb-b80
|
80
|
2.5
|
1450
|
4.10
|
|
cb-b100
|
100
|
2.5
|
1450
|
5.10
|
|
cb-b125
|
125
|
2.5
|
1450
|
6.10
|
|
型 号
|
c
|
e
|
h
|
c1
|
c2
|
d1
|
d
|
d
|
e1
|
t
|
b
|
m
|
k1
|
k2
|
|
cb-b2.5
|
79
|
65
|
95
|
25
|
30
|
φ35
|
φ50
|
φ12
|
35
|
30
|
4
|
m6
|
z3/8"
|
z3/8"
|
|
cb-b4
|
82
|
|||||||||||||
|
cb-b6
|
86
|
|||||||||||||
|
cb-b10
|
94
|
|||||||||||||
|
cb-b16
|
107
|
86
|
128
|
30
|
35
|
φ50
|
φ65
|
φ16
|
50
|
42
|
5
|
m8
|
z3/4"
|
z3/4"
|
|
cb-b20
|
111
|
|||||||||||||
|
cb-b25
|
115
|
|||||||||||||
|
cb-b32
|
121
|
|||||||||||||
|
cb-b40
|
132
|
100
|
152
|
35
|
40
|
φ55
|
φ80
|
φ22
|
55
|
52
|
6
|
m8
|
z1"
|
z3/4"
|
|
cb-b50
|
138
|
|||||||||||||
|
cb-b63
|
144
|
|||||||||||||
|
cb-b80
|
158
|
120
|
185
|
43
|
50
|
φ70
|
φ95
|
φ30
|
65
|
65
|
8
|
m8
|
z1 1/4"
|
z1"
|
|
cb-b100
|
165
|
|||||||||||||
|
cb-b125
|
174
|
1.齿轮油泵产品名称及型号;
2.齿轮油泵规格口径;
3.齿轮油泵产品流量;
4.齿轮油泵产品扬程;
5.齿轮油泵产品功率;
6.齿轮油泵使用介质;
7.齿轮油泵产品材料;
8.如有特殊要求时请在订购产品时注明。
9.若已经由设计单位选定的型号,请按型号直接向我司销售部订购。
10.当使用的场合非常重要或环境比较复杂时,请您尽量提供设计图由我们的希伦科技阀门专家为您审核把关。
厂家主要生产:多级泵、管道多级泵、立式多级泵、热水泵、旋涡泵、螺杆泵、磁力泵、齿轮油泵、自吸泵、耐腐蚀泵、生活供水设备、消防气压给水设备、水泵、气压罐等,
欢迎您访问我们的网站【尊龙凯时】,如有任何疑问.您可致电给我们,我们一定会尽心尽力为您提供上等的服务,
销售专线:021-32519068/32518920图文传真:021-32518920 直线联系:13818833907,18939726201联系人:小胡 在线联系qq:1364159937 e-mail:
相关产品